GENE SLOVERS US NAVY PAGES OP 769 CONFIGURATION OF THE THREE GUN TURRETS USS NEW JERSEY 30 APRIL 1968 REACTIVATION |
IOWA CLASS BATTLESHIP PICTURES NAVAL ORDNANCE PAMPHLET OP 769 TITLE AND FORWARD CHAPTER 6 TRAINING GEAR |
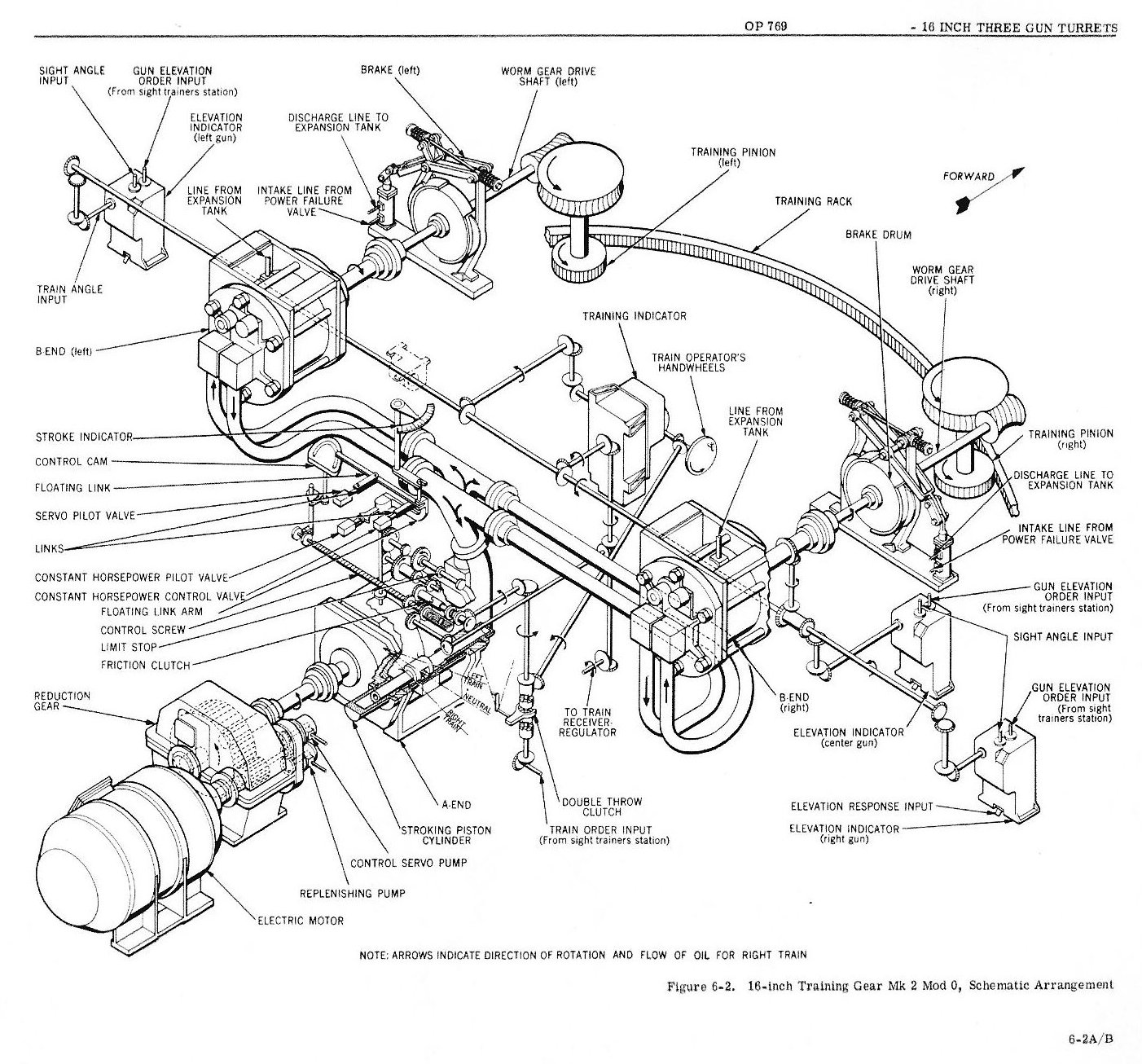
CHAPTER 6 TRAINING GEAR PAGE 1 CHAPTER 6 TRAINING GEAR PAGE 2 CHAPTER 6 TRAINING GEAR PAGE 3 |
![]() |
![]() |
![]() |
![]() |
![]() |
![]() |
![]() |
![]() |
![]() |
![]() |
![]() |
![]() |
![]() |
![]() |
![]() |
![]() |