GENE SLOVERS
US NAVY PAGES

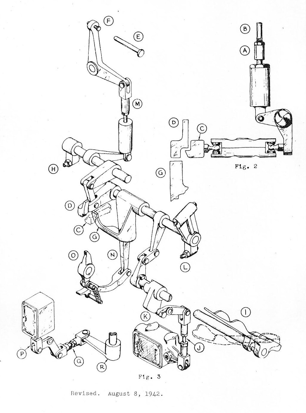
OD 3782
40MM ANTIAIRCRAFT GUN MOUNT
MARK 1 TWIN

DESCRIPTION AND OPERATION
HOME          INDEX
PAGE 1
PAGE 2
PAGE 3
PAGE 1